Model:YGX-P103
Features & Applications:
The shaft pin type load cell using a pin shape double shear beam structure, with the eccentric load resistance, twisting resistance, high precision, is a special sensor measuring bearing, pulley and other components of the radial load or wire rope tension, it can replace the pulley pin shaft installed in the structure of the meridional stress measurement. It can replace the pulley shaft installed in the structure to the force measurement. As to replace the original axis function, but also plays the role of weighing sensor, so the mechanical component of the force measuring and weighing control system greatly simplified.
Applicable process control and measurement system for hoisting, water, ship, etc.
Capacity: 20T ( Custom-made is available. )
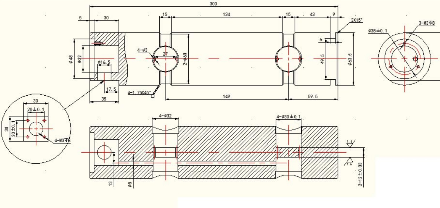
Dimensions(mm):

Specification:
|
Rated output
|
1.60mV/V
|
|
Non-linearity
|
≤±0.1%F·S
|
|
Hysteresis
|
≤±0.1%F·S
|
|
Repeatability
|
≤±0.05%F·S
|
|
Creep(30min)
|
≤±0.1%F·S
|
|
Zero balance
|
≤±1%F·S
|
|
Temperature effect on zero
|
≤±0.05%F·S/10℃
|
|
Temperature effect on output
|
≤±0.05%F·S/10℃
|
|
Operation temperature range
|
-20℃~+80℃
|
|
Input impedance
|
750±20Ω
|
|
Output impedance
|
700±5Ω
|
|
Safe overload
|
≤150%F·S
|
|
Insulation
|
≥2000MΩ(50VDC)
|
|
Recommended excitation
|
5V-15V
|
|
Protection Class
|
IP67
|
|
Wiring
|
Red: + Excitation Black: - Excitation
Green: + Signal White: - Signal
|