Model: YGX-SL205 Medium-range two dimensional force sensor
Features and Applications
Classic spoke structure, easy to be assembled
High resolution
Suitable for material testing machines
Capacity : 500N
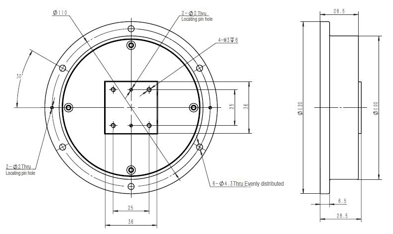
Dimensions(mm):

Specification:
|
|
Fx
|
Fz
|
|
Capacity
|
500N
|
500N
|
|
Resolution
|
100mN
|
100mN
|
|
Nonlinearity
|
0.45%F.S
|
0.35%F.S
|
|
Hysteresis
|
0.65%F.S
|
0.23%F.S
|
|
Zero Balance
|
0.21%F.S
|
0.34%F.S
|
|
Repeatability
|
0.3%F.S
|
0.07%F.S
|
|
Precision
|
0.74%F.S
|
0.57%F.S
|
|
Excitation
|
≥5V
|
|
Operation temp range
|
-10~ +40℃
|
|
Safe overload
|
150% F.S
|
|
Material
|
Aluminum alloy
|