| |
|
|
深圳市怡冠兴科技发展有限公司
联系人:袁桂根
手机:13632804287
微信:13632804287
QQ :1225609859
Skype: yuanguigen
E-mail: stevenyuanexport@163.com
地址:深圳市南山区南头街道红花路
|
|
|
|
500N 1000N 三分力三维力传感器
型号: YGX952A 三维力传感器
特点和用途:
三分力的测量
相互干扰误差小
用于机器人手过载保护
自动化工具,用于测试机组
形状和尺寸可定制
量程: 0~500, 1000N
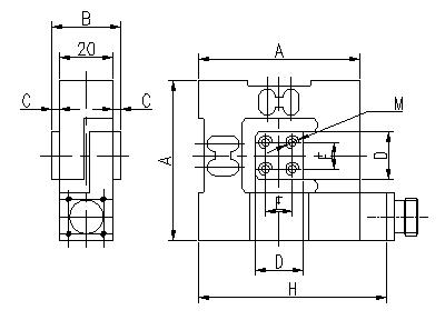
尺寸(mm): 受力方向:

|
量程Fx, Fy, Fz
|
A
|
B
|
C
|
D
|
E
|
H
|
M
|
|
500N
|
30
|
26
|
3
|
18
|
10
|
70
|
2x4-M5
|
|
1000N
|
80
|
26
|
3
|
25
|
12
|
90
|
2x4-M6
|
技术规格
|
输出灵敏度
|
1.0~1.50 mV/V
|
|
零点输出
|
± 1% F.S
|
|
综合精度
|
±0.1; ±0.3; ±0.5%F.S.
|
|
非线性
|
±0.5% F.S.
|
|
温度灵敏度漂移
|
±0.1% F.S. / 10ºC
|
|
零点温度漂移
|
±0.1% F.S. / 10ºC
|
|
输出电阻
|
700±5/350±5 Ω
|
|
输入电阻
|
700±10/350±10 Ω
|
|
推荐激励电压
|
12 V
|
|
绝缘
|
2000 MΩ/100VDC
|
|
工作温度范围
|
-10 ~ 60 ºC(高温型定制)
|
|
温度补偿范围
|
-20~+60 ℃
|
|
安全过载
|
150% F.S.
|
|
电缆线尺寸
|
3000mm
|
|
防护等级
|
IP65
|
|
接线方式
|
12线制
|
|
|
|