3. 适用于科学仪器、科学研究及其它力测试控制应用场景
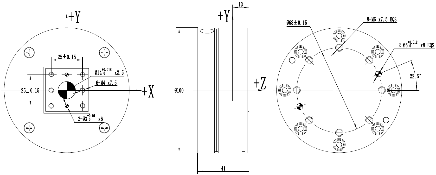
尺寸图(mm):

|
|
Fx
|
Fy
|
Fz
|
Mx
|
My
|
Mz
|
|
量程(N/Nm)
|
1000
|
1000
|
1000
|
20
|
20
|
20
|
|
输出(mv/v)
|
Decoupling
|
|
桥路电阻(Ω)
|
350±3
|
350±3
|
350±3
|
350±3
|
350±3
|
350±3
|
技术参数
|
量程
|
Fx/Fy/Fz :1000N /1000N/1000N
Mx/My/Mz : 20Nm/20Nm/20Nm
|
|
分辨率
|
0.1% F.S.
|
|
非线性
|
0.05% F.S.
|
|
零点漂移
|
0.2% F.S./10min
|
|
精度
|
0.2% F.S.
|
|
重复性
|
0.2% F.S.
|
|
零点温度漂移
|
0.2%F.S./10℃
|
|
储存温度
|
-25°C ~70°C
|
|
使用环境
|
0°C~40°C, 20~80% RH
|
|
输入电阻
|
350Ω
|
|
输出电阻
|
350Ω
|
|
推荐激励电压
|
6V
|
|
接口形式
|
16芯航空插头
|
|
线缆长度
|
5m
|
|
安全过载
|
400%
|
|
防护等级
|
IP65
|
|
重量
|
0.969kg(含线)
|
|
尺寸
|
直径:100mm 高度:41mm
|
装配方式:上装配面采用6个M4×7.5mm螺栓,下装配面采用8个M6×7.5mm螺栓
定位方式:上装配面采用2个φ3×6mm销孔,滑动配合,中间设有φ14深2.5mm的平底孔,可作定位使用。下装配面设有两个φ5深8mm销孔,滑动配合